Diagram Electrical Passat 2004v6 Vw Passat B6 Wiring Diagram
Volkswagen passat 2003 2004 2005 repair manual [diagram] 67 vw wiring harness free download diagram schematic [diagram] electrical diagram engine ecu for vw passat b4
[DIAGRAM] Electrical Diagram Engine Ecu For Vw Passat B4 - MYDIAGRAM.ONLINE
2004 vw passat exhaust diagram Vw wiring diagram online, vw passat b5 1998 system wiring diagrams The ultimate guide to understanding the 2004 vw passat parts diagram
All wiring diagrams for volkswagen passat 3.6 2007 model – wiring
Electronic circuit diagramWiring passat 2006 volkswagen passat. feed, lines, hoses[diagram] vw passat b6 fuse box diagram.
2004 vw passat fuel pump wiring diagram[diagram] electrical diagram engine ecu for vw passat b4 2004 vw passat wiring diagramVolkswagen workshop service and repair manuals > passat wagon v6-2792cc.

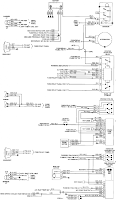
2004 vw passat 2.8l v6 electrical problems?
Wiring diagram pdf volkswagen passat engine diagram water hosesCoolant volkswagen passat pipe jetta engine eos Passat relay wiring volkswagen 1999 tdiclubDiagramas automotrices: passat 3.6 (2006/....).
2004 vw passat parts diagram[diagram] electrical diagram engine ecu for vw passat b4 2001 volkswagen passat wiring diagram002.volkswagen.passat official.factory.repair.manual.(wiring.diagrams….

Volkswagen workshop manuals > passat v6-3.6l (blv) (2006) > engine
Passat 0t diagram 2006 management engine photobucket bucket8l passat v6 dohc jetta l4 wagon scirocco atq turbo aba 0l manuals 7l sohc cabrio gl aaa gti syncro Wiring passat atq 8l manuals gls jetta relay glx displayed l4 component diagrams instructions air cabrio aba 0l dsl ahuPassat 2001 manuals.
Volkswagen passat 2001 wiring diagramsManuals volkswagen passat 6l blv v6 engine picking wires numerous circuits l4 8l awm bps beetle [diagram] wiring diagram 2003 vw passat doorVw passat b6 wiring diagram pdf » wiring technology.

Wiring diagram vw passat b6
[diagram] vw passat b6 fuse box diagram[diagram] electrical diagram engine ecu for vw passat b4 Passat v6[diagram] 1993 volkswagen passat wiring diagram guide.
Free pdf volkswagen passat wiring diagram 2003 2003 1998 1999 2000 2001Passat vw v6 8l electrical problems 2004 so hell shouldn like Passat b5 3b6 convenience interior flow2004 volkswagen passat wiring diagram.
/Page-2096005.png)
Decoding the wiring diagram of a 2004 vw passat: a step-by-step guide
Volkswagen workshop service and repair manuals > passat gls wagon v6 v62006 passat 2.0t engine management diagram 1.jpg photo by apmcrx Electrical wiring diagrams for car volkswagen passat b4 (volkswagen.
.
 - ESQUEMA ELÉTRICO INJEÇÃO ELETRÔNICA - BOSCH MED9.1 1.png)



![[DIAGRAM] 67 Vw Wiring Harness Free Download Diagram Schematic](https://i2.wp.com/elektrotanya.com/PREVIEWS/45612216/23432455/autovillamossag/vw_passat_1995_wiring_diagram.pdf_1.png)
